ООО "Оланва", Пермский край, г. Лысьва, ул. Кузьмина, 13-11, тел. +7-982-240-8287

Инструмент и материалы для центровки оборудования

Центровочные нержавеющие пластины  "ОЛАНВА" и Европейские аналоги,
аналоги пластин Baltech, SKF TMAS

Выпускаются следующие комплекты центровочных пластин:
  • КОМПЛЕКТ 90 - 90 шт. в наборе. Толщина пластины в мм: 0,05; 0,1; 0,2; 0,3; 0,4; 0,5; 0,7; 0,8; 1,0.

Пластины упакованы по 10 штук в зип-пакеты и уложены в зип-папки,  папки или сумки, в зависимости от габаритов и веса пластин.

  • КОМПЛЕКТ 110  - 110 шт. в наборе. Толщина пластины в мм: 0,05; 0,1; 0,15; 0,2; 0,25; 0,3; 0,4; 0,5; 0,7; 0,8; 1,0.

Пластины упакованы по 10 штук в зип-пакеты и уложены в зип-папки,  папки или сумки, в зависимости от габаритов и веса пластин.


Возможна поставка в удобных пластиковых боксах, по дополнительной цене (см.таблицу).

Цены на комплекты пластин:

Паз / Анкер

Габаритные размеры, мм

Цены комплектов, руб

Цена

бокса

Вес, кг

90шт.

90 шт.

110 шт.

 

 

9 / М8

35х35

4910

5860

130

0,35

13 / М12

50х50

6220

7480

140

0,7

17 / М16

60х60

9590

11320

150

1,0

21 / М20

75х75

12070

14370

170

1,6

25 / М24

85х85

14660

17590

190

2,0

32 / М30

100х100

17580

21080

210

2,6

38 / М36

115х115

19750

23640

240

3,5

44 / М42

125х125

22960

27540

270

4,0

50 / М48

150х150

26380

31660

310

7,0

58 / М56

175х175

30310

36330

380

9,3

66 / М64

200х200

34820

41320

450

11,4

 

  • Для решения проблемы несоосности валов приводов предлагаем нержавеющие центровочные пластины, которые используют для центровки агрегатов при монтажных и ремонтно-наладочных работах.
  • Материал, из которого изготовлены центровочные пластины, обеспечивает их долговечность, а отличное качество поверхности исключает демпфирование установленных агрегатов.
  • Пластины изготавливаются из нержавеющих листов и ленты нормальной или повышенной точности.

Марки применяемых нержавеющих сталей: 12Х18Н10, 102Х18Н10Т, AISI 304, AISI 321, 12Х17, 08Х13, 12Х13, AISI 403, AISI 430.

  • Предел прочности нержавеющих материалов σв>= 490 МПа; предел текучести >=190 МПа; твердость НВ >= 170 Мпа.
  • Пластины могут иметь разность толщины в пределах от ±1 до ±2%.
  • Допускаются отклонения габаритных размеров пластин до 1-2 %
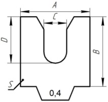
  • Производятся нержавеющие пластины 11-ти типоразмеров под основные метрические резьбы анкеров (фундаментных болтов):  М8, М12, М16, М20, М24, М30, М36, М42, М48, М56, М64  двух комплектаций, различных по количеству толщин в комплекте.
  • Пластины размеров Baltech, SKF TMAS созданы для европейских размеров фундаментных болтов (анкеров).

Для тех, кто пользуется европейскими пластинами и желает это делать далее, мы предлагаем аналоги.

Европейские размеры

Аналог пластин Оланва

Наименование

А

В

С

Наименование

А

В

С

BALTECH-2N

50

50

16

60х60 паз 17

60

60

17

BALTECH-3N

75

75

22

75х75 паз 21

75

75

21

BALTECH-4N

100

100

32

100х100 паз 32

100

100

32

BALTECH-5N

125

125

45

125х125 паз 44

125

125

44

BALTECH-8N

200

200

54

200х200х паз 55

200

200

55

Small

35

35

9

35х35 паз 9

35

35

9

 

  • На все выпускаемые изделия распространяется гарантия 12 месяцев.
  • Условия поставки: при сумме < 300 000 руб. 100% предоплата, работаем без НДС!
  • Способы доставки: ТК КИТ, СДЕК, ТК ДЛ, ТК Луч, Почта России.
  • Стоимость доставки рассчитывается отдельно и не входит в стоимость оборудования.
  • В наличии на складе комплекты всех типоразмеров.
Изготавливаем пластины по чертежам Заказчика.
Срок изготовления заказа зависит от его объема.